中文
当前所在位置: 首页 » 配件 » 配件 » 不锈钢螺丝和螺母 » 12角法兰对锁螺丝 SUS304

12角法兰对锁螺丝 SUS304

loading

状态:

99

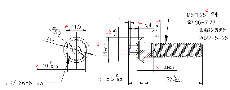
12角法兰对锁螺丝 SUS304


M8*1.25*32


六角法兰面螺母 SUS304, 防锁死


M8*1.25


测量部位
图面尺寸
DC 13.7-14.3
k 8.2-8.5
L 31.5-32
LS
4.8-5.2
d 7.78-7.96
DS
7.85-8
S 9.85-10.0
e
11.5max
KW 5.4
D2 4.5
上一条: 
下一条: 
相关产品
江苏耀锋精密机械配件有限公司成立于2013年,占地面积33350平方米,厂房面积15000平方米。公司已经通过ISO9001认证。
公司凭借在材料与制造工艺上的专注研发,已开发出超轻量两件式和三件式锻造铝合金轮辋的知识产权保护产品,可灵活适配不同直径,轮辋宽度及偏距,完美满足轿车,SUV, 轻型货车等多种车型的改装要求。
IPC产品已经通过多项专业检测认证 CAAM VIA JWL及 TUV认证,是众多世界知名品牌轮毂公司的生产基地。

快速链接

联系我们
版权所有© 2025江苏耀锋精密机械配件有限公司。保留所有权利。 Sitemap | 隐私政策